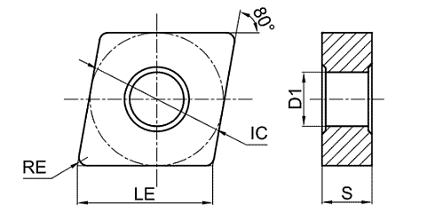
| Геометрия | CNMG |
| Задний угол | 0° (*N**) |
| Конструкция пластины | с отверстием/двусторонний (***G) |
| Материал пластины | карбид с PVD |
| Обрабатываемый материал | M |
| Сплав пластины | GM3220 |
| Тип обработки | Черновая |
| Форма пластины | Ромб 80° (С***) |
| D1 | 7.94 |
| IC | 19.05 |
| LE | 19.3 |
| RE | 1.2 |
| Высота S | 6.35 |
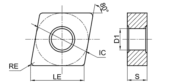
| Геометрия | CNMG |
| Задний угол | 0° (*N**) |
| Конструкция пластины | с отверстием/двусторонний (***G) |
| Материал пластины | карбид с PVD |
| Обрабатываемый материал | M - нержавеющая сталь |
| Сплав пластины | GM3220 |
| Тип обработки | Черновая |
| Форма пластины | Ромб 80° (С***) |
| D1 | 7.94 |
| IC | 19.05 |
| LE | 19.3 |
| RE | 1.2 |
| Высота S | 6.35 |
Для юридических лиц доступна оплата по безналичному расчету путем перечисления денежных средств с расчетного счета покупателя на расчетный счет ООО "ПКФ Промышленный инструмент".
Доставка инструмента, оснастки осуществляется в города Российской Федерации и СНГ
Доставка транспортными компаниями
- "Деловые линии"
- "СДЭК"
- "Экспресс-Авто"
Основные направления доставки:
|
Екатеринбург |
|
|
|
Альметьевск, Березники, Златоуст, Ижевск, Курган, Магнитогорск, Миасс, Набережные Челны, Нефтекамск, Нижнекамск, Пермь, Салават, Стерлитамак, Тюмень, Уфа, Челябинск, Чусовой, Южноуральск |
|
Москва, Санкт-Петербург, Балашиха, Бутово, Видное, Волоколамск, Выборг, Дмитров, Долгопрудный, Дубна, Жуковский, Звенигород, Зеленоград, Истра, Клин, Коломна, Королев, Красногорск, Люберцы, Можайск, Мытищи, Ногинск, Одинцово |
|
Орехово-Зуево, Подольск, Раменское, Румянцево, Сергиев Посад, Серпухов, Солнечногорск, Солнцево, Ступино, Троицк, Химки, Электросталь Ачинск, Бердск, Бийск, Горно-Алтайск, Искитим, Кемерово, Киселевск, Красноярск, Ленинск-Кузнецкий, Междуреченск, Новокузнецк, Новосибирск, Омск, Прокопьевск, Рубцовск, Северск, Стрежевой, Томск, Юрга |
|
Алушта, Евпатория, Керчь, Севастополь, Симферополь, Судак, Феодосия, Ялта |
|
Александров, Балахна, Белгород, Боровичи, Брянск, Великие Луки, Великий Новгород, Владимир, Волгоград, Вологда, Воронеж, Волгодонск, Волжский, Выборг, Гатчина, Дзержинск, Димитровград |
|
Санкт-Петербург, Сосновый Бор, Смоленск, Старый Оскол, Сызрань, Тамбов, Тверь, Тольятти, Тула, Ульяновск, Чебоксары, Череповец, Ярославль |
|
Зеленодольск, Иваново, Казань, Калуга, Колпино, Кострома, Краснодар, Курск, Липецк, Нижний Новгород, Обнинск, Орел, Псков, Ростов-на-Дону, Рыбинск, Рязань, Самара |
|
Армавир, Астрахань, Балаково, Бузулук, Владикавказ, Георгиевск, Ессентуки, Йошкар-Ола, Калининград, Киров, Кисловодск, Копейск, Магнитогорск, Майкоп, Минеральные Воды, Мурманск, Нальчик, Невинномысск |
|
Нижний Тагил, Нижнекамск, Новороссийск, Новочеркасск, Октябрьский, Оренбург, Орск, Пенза, Петрозаводск, Пятигорск, Саранск, Саратов, Серов, Снежинск, Сочи, Ставрополь, Сыктывкар, Таганрог |
|
Чайковский, Черкесск, Шахты |
|
Магадан, Надым, Новый Уренгой, Норильск, Ноябрьск, Петропавловск-Камчатский, Салехард |
Самовывоз
Вы можете самостоятельно забрать заказ в пункте выдачи на нашем складе в г. Екатеринбург, БЦ «Деловой Квартал», Сибирский тракт 12, стр. 8, офис 405

